Вихревой самовсасывающий насос ВКс 12,5/20 К-5 (7,5х1500)
Опросный листОбласть применения: Подъем и перекачивание воды, молока, пива, вина, спирта, сока, подсолнечного масла, моющих средств и дезинфицирующих растворов (2-3% кислот и щелочей) и т. д., а также газосодержащих жидкостей. Откачивания из авто- и железнодорожных цистерн нефтепродуктов, растворителей или кислот. Работа под вакуумом.
Все характеристики Выбрать опцииДоступные опции
Материал проточной части
Опции
Патрубки
Торцовое уплотнение
Электродвигатель
Доп.оборудование
Область применения:
Подъем и перекачивание воды, молока, пива, вина, спирта, сока, подсолнечного масла, моющих средств и дезинфицирующих растворов (2-3% кислот и щелочей) и т. д., а также газосодержащих жидкостей. Откачивания из авто- и железнодорожных цистерн нефтепродуктов, растворителей или кислот. Работа под вакуумом.
Преимущества насоса:
- самовсасывание - возможность откачивания воздуха из всасывающего трубопровода, а затем уже и жидкости; По сравнению с центробежными самовсасывающими насосами, вихревые насосы отличают большей скоростью самовсасывания или скорости откачки воздуха. Наиболее оптимальны при зачистке остатков жидкостей из цистерн, емкостей, бочек, резервуаров, когда необходимо перекачивать газожидкостную смесь;
- малогабаритность;
- 3. Менее чувствительны к вязкости жидкости. Могут откачивать жидкости с вязкостью до 800 сСт. возможность откачивания жидкостей с вязкостью до 800 сСт;
- проточная часть насоса выполнена из нержавеющей стали Х18Н10 (AISI 304) или AISI 316;
- применение торцовых уплотнений фирмы “Джон Крейн” (Англия) в соответствии с перекачиваемой жидкость, ее температурой, условиями эксплуатации;
- отечественные электродвигатели российских электрозаводов;
- сертификат ТР ТС 010 или 012;
- Работа под вакуумом (при комплектации двойным торцовым уплотнением);
- комплектация: переходники, частотный преобразователь, пускатель, тележка;
- осевой вход со встроенным обратным клапаном или всасывающий патрубок, выполненный в виде колена на входе для сохранения жидкости в корпусе для повторного запуска;
- возможность длительной работы насоса без перекачиваемой жидкости при комплектации насоса двойным торцовым уплотнением. Защита от сухого хода;
Двигатель:
Исполнение общепромышленное или взрывозащищенное Ex;
Частота вращения 3000 об/мин, 1500 об/мин, 1000 об/мин, 750 об/мин;
Однофазное 220В или трехфазное 220/380В;
Степень защиты IP54, IP55;
Бензиновый или дизельный привод;
Комплектация датчиками температуры подшипников;
Климатическое исполнение и категория размещения У1, УХЛ1, У2, У3, ОМ2.
Материал проточной части:
Корпус насоса, рабочее колесо, крышка корпуса, фонарь, удлинитель вала, гайка колеса из нержавеющей стали 12Х18Н10Т.
Варианты комплектации насосов:
Комплектация насоса рубашкой обогрева или охлаждения для подвода и отвода пара, горячей воды или теплоносителя, электрообогрев.
Установка на тележку с пускателем. Частотный преобразователь.
Защита от сухого хода. Длительная работа насоса без перекачиваемой жидкости.
Патрубки резьбовые с гайками, фланцы плоские или «шип-паз», ответные фланцы, прокладки, крепеж.
Кожух из нержавеющей стали на электродвигатель.
Осевой вход со встроенным обратным клапаном или всасывающий патрубок, выполненный в виде колена на входе для сохранения жидкости в корпусе для повторного запуска.
Возможно изготовление с патрубками на другие проходные сечения.
Варианты исполнения насоса:
Исп.1 общепромышленное (для молока, воды, соков, пива, моющих средств)
Исп.2 взрывозащищенное (для вина, водки, коньяка)
Исп.3 общепромышленное, тандем (при необходимости промывки или охлаждения торцового уплотнения из водопровода)
Исп.4 взрывозащищенное, тандем (при необходимости промывки или охлаждения торцового уплотнения из водопровода)
Исп.5 общепромышленное, тандем, бачок (для сахарного сиропа, для солевых растворов)
Исп.6 взрывозащищенное, тандем, бачок (для спирта)
Исп.7 специальное
Пример условного обозначения электронасоса: ВКс 25/20 К-5 (7,5Вх1500) или ВКс 25/20К-7,5/4Е-5-У2, где:
В - вихревой
К - консольный
с - самовсасывающий
25 - номинальная подача, м3 /час
20 - номинальный напор, м
К - материал проточной части насоса, хромоникелевая сталь 12Х18Н10
5 / 55А - одинаное торцовое уплотнение вала / двойное торцовое уплотнение с гидрозатвором
7,5 - мощность электродвигателя, (кВт)
4 - индекс частоты вращения электродвигателя (число полюсов), 1500 об/мин
Е - электродвигатель взрывозащищенного исполнения или "В"
У2 - климатическое исполнение
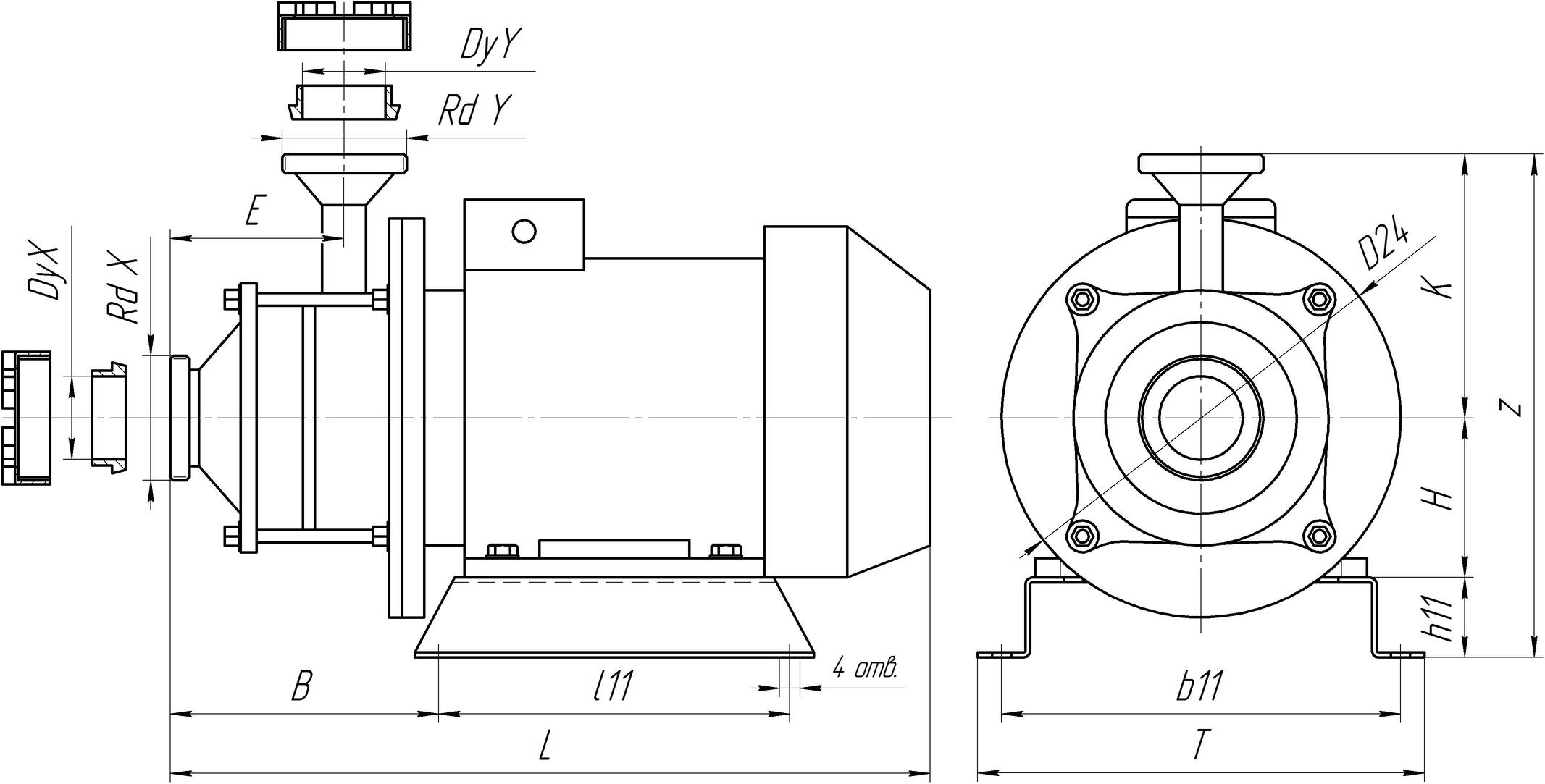
Размеры, мм
| Условное обозначение | L* |
|---|---|
| Вихревой самовсасывающий насос ВКс 12,5/20 К-5 (7,5х1500) | checkbox |
Задать вопрос
Наша компания осуществляет доставку насосного оборудования и торцовых уплотнений в любую точку Российской Федерации, Республики Беларусь и Казахстан.
Доставка малогабаритных грузов
Предлагаем доставку экспресс-почтой 4Sides, СДЭК или Даймекс - это наиболее экономичный и удобный способ доставки. Товар дополнительно упаковывается для предотвращения его порчи во время перевозки. Груз привезут по Вашему адресу или до терминала в ближайшем городе - на Ваше усмотрение. От Вас нужен только адрес доставки, контактное лицо и телефон. Стоимость доставки обычно включается в счет.
Доставка насосного оборудования
Отправляем насосы с помощью транспортных компаний Деловые Линии, ПЭК, ЖДЭ или Кашалот «GTD». До терминала Деловых Линий и Кашалот «GTD» в г. Москва довозим сами. Остальные заказываем за грузом к себе на склад.
Остались вопросы?
За более подробной информацией обращайтесь к
менеджерам по телефону +7 (495) 727-271
или заполните форму и мы
свяжемся с вами в ближайшее время
Оставить заявку
Заполните форму и мы свяжемся с вами в ближайшее время
